تصميم مضخة طاردة مركزية
تحليل هيدروليكي كامل وصولا الى التصاميم ثلاثية الابعاد انتهاءا بالرسومات الهندسية الجاهزة للتصنيع
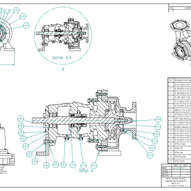
في هذا المشروع، قمت بتنفيذ أعمال التصميم والحسابات لمضخة طاردة مركزية صناعية. وعلى النقيض من النمذجة ثلاثية الأبعاد التقليدية، يرتكز هذا التصميم على أسس ومنهجيات أكاديمية وصناعية راسخة، مع الالتزام الصارم بمبادئ التصميم الهيدروليكي.
مسار العمل الهندسي :
التصميم الهيدروليكي وفقاً للمعايير الصناعية المعتمدة.
النمذجة التفصيلية للمجموعات باستخدام برنامج Solid Edge، متضمنة قوائم الأجزاء التفصيلية (BOM).
التحسين المعتمد على محاكاة الموائع (CFD) لرفع الكفاءة وتجنب ظاهرة التكهف (Cavitation)، مع إعداد رسومات فنية جاهزة للتصنيع


















منهجية التصميم المتبعة (Gülich Method): أثناء تطوير هندسة عجلة الريش (Impeller Geometry)، قمت بتطبيق منهجية Gülich بشكل موجه ومنهجي عبر الخطوات التالية:
التقسيم الشبكي (Discretization): قمت بتقسيم الخط الهيكلي للريشة إلى عشرة أجزاء متساوية المسافات، وذلك للحفاظ على تحكم دقيق في الانحناء الهندسي.
تدرج الزوايا (Angle Gradation): قمت بتحويل زاوية الريشة خطياً وتدريجياً من نقطة الدخول حتى نقطة الخروج عبر هذه الأجزاء العشرة. يساهم ذلك في تقليل انفصال الجريان (Flow Separation) وتحسين الكفاءة الكلية.
توليد الأسطح (Hub-to-Shroud): قمت أولاً برسم مقطع الريشة على محيط الصرة (Hub). وبعد ذلك، ومن خلال إنشاء إسقاط عمودي على السطح، قمت بتوليد
تصميم الريش الهيدروليكية (Hydraulic Blade Design):
وفقاً لمعايير (ISO/DIN). تم تصميم هذه المضخة لتكون مثالية لعمليات التصنيع وتلبي متطلبات أنظمة الموائع عالية الأداء.
منحنى التقاطع عند قرص التغطية (Shroud)، للحصول في النهاية على قناة جريان محسنة ومثالية داخل الفراغ ثلاثي الأبعاد.
تواصل معنا
المهندس همام الحلواني
ايميل: info@hme-alhelwani.de
الجوال:+49 15753239933
© 2026 كل الحقوق محفوظة للمهندس همام الحلواني
Hubertusstraße. 12-14
52064 Aachen
Germany
